Hallo Helmtaucher,
hat jemand von Euch irgendwelche Unterlagen zur Dräger Hebelpumpe? Ich suche eine Betriebsanleitung, eine Explosionszeichnung, einen Katalog, irgendwas in der Art im Original oder als Scan!
Ich habe eine fast neue Pumpe bekommen, die seit 1958 eingelagert war und ich würde sie gerne zerlegen, ohne dabei gleich irgendwelchen Flurschaden anzurichten.
Danke im Voraus für Eure Unterstützung!
Volker
Dräger Hebelpumpe
- Franz
- HTG-Mitglied
- Beiträge: 1401
- Registriert: Fr 24. Jun 2011, 14:29
- Vorname: Franz
- Spezielle Interessen: Alte Tauchausrüstungen, Tauchgeschichte. . . .
Re: Dräger Hebelpumpe
Hallo Volker,
das war ein Glückstreffer, so etwas findet man nich alle Tage! Schau mal:
Die Bilder soll ich Dir mit einem schönen Gruß von Horst aus Eckernförde zusenden.
Gruß,
Franz
das war ein Glückstreffer, so etwas findet man nich alle Tage! Schau mal:
Die Bilder soll ich Dir mit einem schönen Gruß von Horst aus Eckernförde zusenden.
Gruß,
Franz
Re: Dräger Hebelpumpe
Herzlichen Dank! Das hilft mir ja schon einiges weiter!
Eine hiesige Feuerwehr hat eine komplette nagelneue Dräger Helmtauchausrüstung irgendwann eingelagert und dann vergessen.... Jedenfalls habe ich auf diese Art und Weise eine nagelneue Pumpe bekommen, die ich nur ein bisschen abstauben und saubermachen muss! Der ebenfalls völlig neue (nummerngleiche!!) Helm muss nicht mal entstaubt werden, weil er in der Original Kiste war, der glänzt wie am ersten Tag!
Manchmal muss man einfach Glück haben!
Volker
Eine hiesige Feuerwehr hat eine komplette nagelneue Dräger Helmtauchausrüstung irgendwann eingelagert und dann vergessen.... Jedenfalls habe ich auf diese Art und Weise eine nagelneue Pumpe bekommen, die ich nur ein bisschen abstauben und saubermachen muss! Der ebenfalls völlig neue (nummerngleiche!!) Helm muss nicht mal entstaubt werden, weil er in der Original Kiste war, der glänzt wie am ersten Tag!
Manchmal muss man einfach Glück haben!
Volker
- Franz
- HTG-Mitglied
- Beiträge: 1401
- Registriert: Fr 24. Jun 2011, 14:29
- Vorname: Franz
- Spezielle Interessen: Alte Tauchausrüstungen, Tauchgeschichte. . . .
Re: Dräger Hebelpumpe
Freunde der Hebelpumpe!
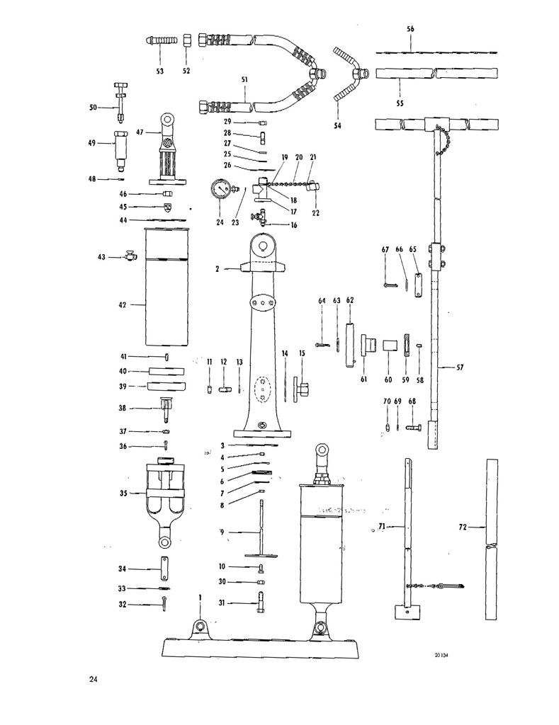
Weiß jemand, wie man diese Teile wieder dicht bekommt? Der Kegel leckt. Mit einem passenden Senker (Spitzenwinkel 100 Grad) will ich den Kegel in Teil 49 leicht nacharbeiten. Wenn das nicht ausreicht, muß man beide Teile einschleifen? Wegen des Gewindes an Teil 50, wird das nicht so einfach.
Der Kegel an Teil 50 weist Kratzer auf, die zur Undichtigkeit beitragen können, diese müssen ebenfalls beseitigt werden. Das Teil kann man nicht in die Drehbank spannen, mal sehn.
Hat jemand Erfahrung hiermit?
Gruß,
Franz
Weiß jemand, wie man diese Teile wieder dicht bekommt? Der Kegel leckt. Mit einem passenden Senker (Spitzenwinkel 100 Grad) will ich den Kegel in Teil 49 leicht nacharbeiten. Wenn das nicht ausreicht, muß man beide Teile einschleifen? Wegen des Gewindes an Teil 50, wird das nicht so einfach.
Der Kegel an Teil 50 weist Kratzer auf, die zur Undichtigkeit beitragen können, diese müssen ebenfalls beseitigt werden. Das Teil kann man nicht in die Drehbank spannen, mal sehn.
Hat jemand Erfahrung hiermit?
Gruß,
Franz
- oxydiver
- HTG-Mitglied
- Beiträge: 790
- Registriert: So 16. Okt 2011, 19:53
- Vorname: Michael
- Spezielle Interessen: Eigenbau und Tauchen mit altem Gerät, insbesondere Kreislaufgeräten. Sammlung von DDR Tauchtechnik.
- Wohnort: Sachsen Anhalt
- Kontaktdaten:
Re: Dräger Hebelpumpe
Hallo Franz,
wofür ist den dieses Teil? Sieht aus wie ein Nadelventil, drückt da nicht nur der Kegel auf eine Kante? Es muß evtl. gar nicht eingeschliffen werden (wie bspw. ein PKW Ventil)?
Micha
wofür ist den dieses Teil? Sieht aus wie ein Nadelventil, drückt da nicht nur der Kegel auf eine Kante? Es muß evtl. gar nicht eingeschliffen werden (wie bspw. ein PKW Ventil)?
Micha
- Franz
- HTG-Mitglied
- Beiträge: 1401
- Registriert: Fr 24. Jun 2011, 14:29
- Vorname: Franz
- Spezielle Interessen: Alte Tauchausrüstungen, Tauchgeschichte. . . .
Re: Dräger Hebelpumpe
Es gibt zwei davon, sie sitzen oben in den Zylindern. Auf dem letzten Foto der Hebelpumpe von Volker sind sie zu sehen. Mit deren Hilfe läßt man zu Beginn etwas Wasser in die Zylinder. Normalerweise wird Metall auf Metall abgedichtet. Vielleicht klappt es ja nach dem Ansenken. Der Senker ist noch nicht eingetroffen.
Zuletzt geändert von Franz am Mo 20. Apr 2020, 11:51, insgesamt 1-mal geändert.
- oxydiver
- HTG-Mitglied
- Beiträge: 790
- Registriert: So 16. Okt 2011, 19:53
- Vorname: Michael
- Spezielle Interessen: Eigenbau und Tauchen mit altem Gerät, insbesondere Kreislaufgeräten. Sammlung von DDR Tauchtechnik.
- Wohnort: Sachsen Anhalt
- Kontaktdaten:
Re: Dräger Hebelpumpe
Alles klar, ein Zusammenbaubild hab ich im "Stelzner"gefunden. Das sollte doch dicht zu bekommen sein. Die paar Bar!
Micha
Micha